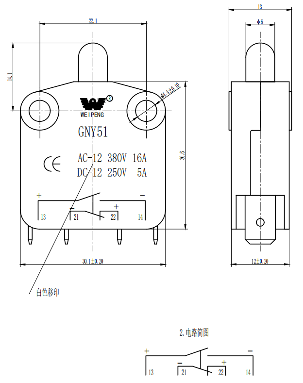
Der Micro -Schalter des Säulentyps der Spalte Typ in Autoteilen verfügt über ein kleines Kontaktintervall und einen schnellen Aktionsmechanismus, und der Kontaktmechanismus zum Schalten der Aktion mit dem angegebenen Schlaganfall und der Kraft wird von der Schale bedeckt, und es gibt eine Getriebe außen und die Form ist klein.
Produkt IntoUction
Push-to-Push-Mikroschalter ist eine häufige elektronische Komponente, mit der der Ein- und Ausschaltzustand einer Schaltung gesteuert wird. Es besteht normalerweise aus einer Taste und einem Schalter, der den Status ändert, wenn die Taste gedrückt wird.
Druckknopfschalter können einen blinkenden Effekt verwenden. Wenn die Taste gedrückt wird, blinzelt die Taste, um die Aufmerksamkeit des Benutzers zu erregen.
Produkt Applicaund Spezifikation
Die Micro -Switches des Spaltensteckspalten -Typs können verwendet werden, um das Licht zu steuern. Wenn die Taste gedrückt wird, wird das Licht ein- oder ausgeschaltet. Es kann auch verwendet werden, um den Schalter von elektrischen Geräten, Klimaanlagen usw. im Industriefeld zu steuern. Im industriellen Feld werden Druckknopfschalter weit verbreitet, um den Start und den Stopp der mechanischen Geräte zu steuern. Ob es sich um Haushalts-, Industrie-, Automobil- oder elektronische Geräte handelt, ist es untrennbar mit dieser einfachen Steuerkomponente unzertrennlich.
| Technische Merkmale wechseln: | |||
| ARTIKEL | Technischer Parameter | Wert | |
| 1 | Elektrische Bewertung | 16a 250vac | |
| 2 | Kontaktwiderstand | ≤ 50 mΩ Anfangswert | |
| 3 | Isolationsresistenz | ≥100 mΩ (500VDC) | |
| 4 |
Dielektrikum Stromspannung |
Zwischen Nicht vernetzte Terminals |
500 V/0,5 mA/60s |
| Zwischen den Terminals und der Metallrahmen |
1500 V/0,5 mA/60s | ||
| 5 | Elektrisches Leben | ≥50000 Zyklen | |
| 6 | Mechanisches Leben | ≥100000 Zyklen | |
| 7 | Betriebstemperatur | -25 ~ 125 ℃ | |
| 8 | Betriebsfrequenz | Elektrisch: 15 Zyklen Mechanisch: 60 Zyklen |
|
| 9 | Vibrationsnachweis | Schwingungsfrequenz: 10 ~ 55 Hz; Amplitude: 1,5 mm; Drei Richtungen: 1H |
|
| 10 | Lötfähigkeit: Mehr als 80% des eingetauchten Teils soll mit Löten bedeckt sein |
Löttemperatur: 235 ± 5 ℃ Eintauchzeit: 2 ~ 3s |
|
| 11 | Lötwärmewiderstand | Dip -Lötung: 260 ± 5 ℃ 5 ± 1s Handbuchlötung: 300 ± 5 ℃ 2 ~ 3s |
|
| 12 | Sicherheitsgenehmigungen | UL 、 CSA 、 TUV 、 CQC 、 CE | |
| 13 | Testbedingungen | Umgebungstemperatur: 20 ± 5 ℃ Relative Luftfeuchtigkeit: 65 ± 5%relativer RH Luftdruck: 86 ~ 106 kPa |
|
Produkt Details


