Der magnetische Mikroschalter aus Kunststoff ist ein Schaltergerät, das das Ein- und Ausschalten eines Stromkreises durch Magnetfeldsignale steuert. Sein Hauptmerkmal ist der berührungslose Betrieb, daher bietet es die Vorteile einer schnellen Reaktion, einer langen Lebensdauer und einer hohen Zuverlässigkeit und wird häufig in den Bereichen Industrieautomation, Sicherheit, Automobil und Smart Home eingesetzt.
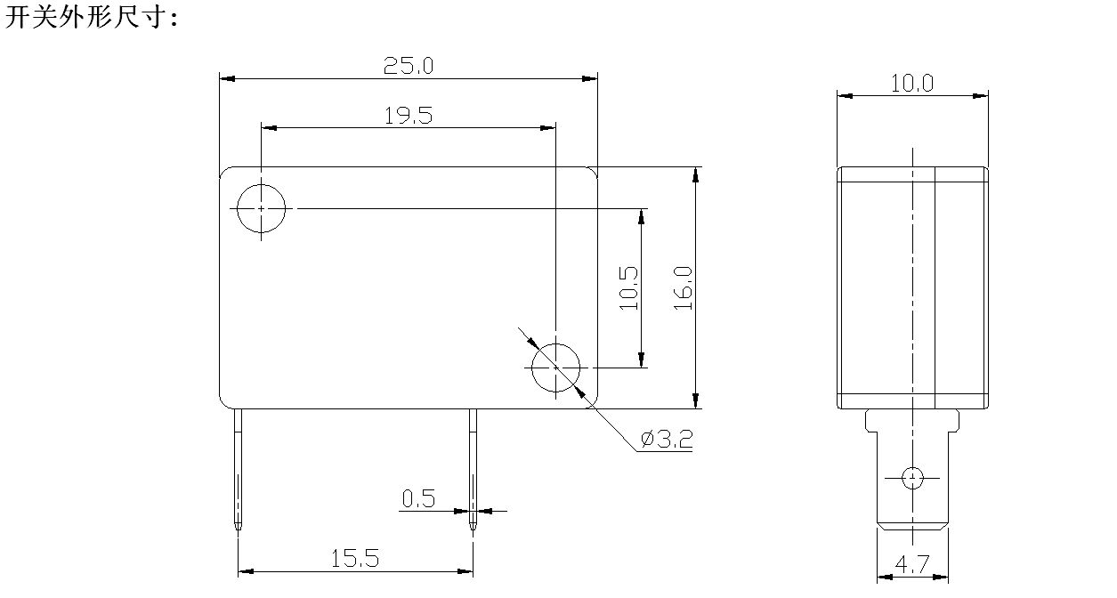
Einführung in den Mikroschalter
Ein Magnetschalter ist ein Schaltergerät, das das Ein- und Ausschalten eines Stromkreises durch Magnetfeldsignale steuert. Sein Hauptmerkmal ist der berührungslose Betrieb, daher bietet es die Vorteile einer schnellen Reaktion, einer langen Lebensdauer und einer hohen Zuverlässigkeit und wird häufig in den Bereichen Industrieautomation, Sicherheit, Automobil und Smart Home eingesetzt.
Mikroschalterparameter (Spezifikation)
| Technische Eigenschaften des Schalters: | |||
| ARTIKEL | Technischer Parameter | Wert | |
| 1 | Elektrische Bewertung | 5(2)A/10A/16(3)A/21(8)A 250VAC | |
| 2 | Kontaktwiderstand | ≤30mΩ Anfangswert | |
| 3 | Isolationswiderstand | ≥100 MΩ (500 VDC) | |
| 4 |
Dielektrikum Stromspannung |
Zwischen nicht verbundene Terminals |
1000V/0,5mA/60S |
|
Zwischen Terminals und der Metallrahmen |
3000V/0,5mA/60S | ||
| 5 | Elektrisches Leben | ≥50000 Zyklen | |
| 6 | Mechanisches Leben | ≥1000000 Zyklen | |
| 7 | Betriebstemperatur | -25~125℃ | |
| 8 | Betriebsfrequenz |
elektrisch: 15 Zyklen Mechanisch: 60 Zyklen |
|
| 9 | Vibrationsfest |
Vibrationsfrequenz: 10 ~ 55 Hz; Amplitude: 1,5 mm; Drei Richtungen: 1H |
|
| 10 |
Lötfähigkeit: Mehr als 80 % des eingetauchten Teils müssen mit Lot bedeckt sein |
Löttemperatur: 235 ± 5 °C Eintauchzeit: 2~3S |
|
| 11 | Löthitzebeständigkeit |
Tauchlöten: 260 ± 5 ℃ 5 ± 1 S Manuelles Löten: 300 ± 5 ℃ 2 ~ 3 S |
|
| 12 | Sicherheitszulassungen | UL, CSA, VDE, ENEC, TÜV, CE, KC, CQC | |
| 13 | Testbedingungen |
Umgebungstemperatur: 20 ± 5 ℃ Relative Luftfeuchtigkeit: 65 ± 5 % RH Luftdruck: 86 ~ 106 kPa |
|
Funktion und Anwendung des Mikroschalters
Details zum Mikroschalter
