Als Referenzmodell der Mikroschalterserie der Yueqing Tongda Wire Electric Factory zeichnet sich der normalerweise offene Mikroschalter mit elektronischem Komponentenhebel durch „hohe Empfindlichkeit, extrem lange Lebensdauer und Anpassungsfähigkeit an mehrere Szenarien“ als Hauptvorteile aus. Durch die Integration der 35-jährigen Erfahrung des Unternehmens in der Schalterherstellung hat es sich dank seines minimalen Kontaktabstands und seines Schnellschaltmechanismus zu einer wichtigen Steuerungskomponente in Haushaltsgeräten, Automobilelektronik, Industrieautomation und anderen Bereichen entwickelt. Seine Leistung und Zuverlässigkeit wurden von mehreren maßgeblichen Organisationen weltweit zertifiziert und sichern so seine Mainstream-Position im Nischenmarkt.
Einführung in den Mikroschalter
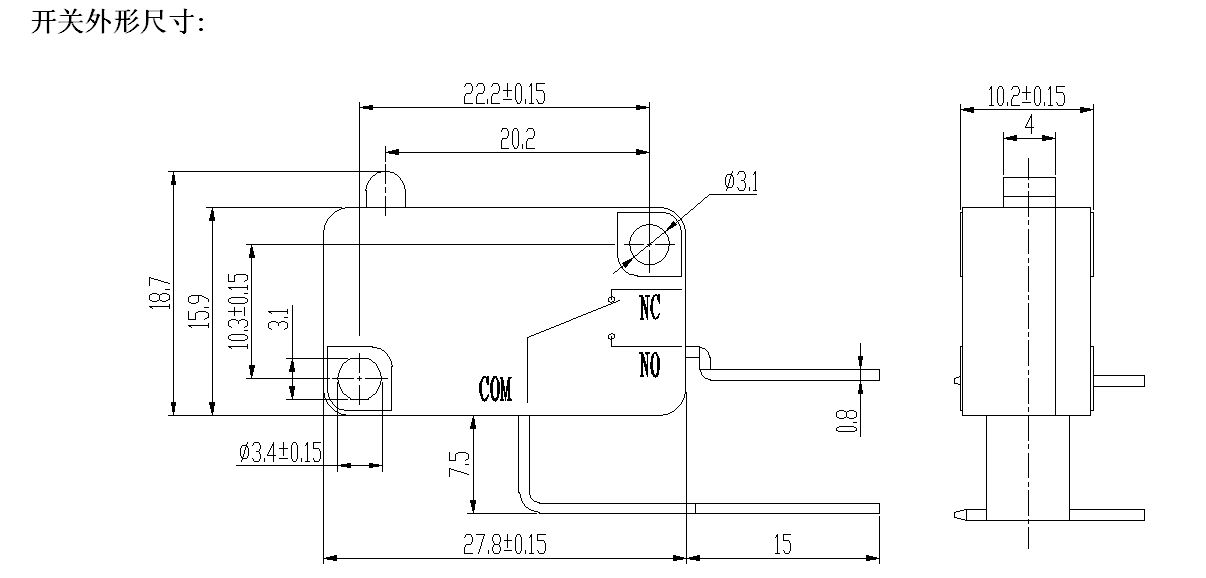
Die HK-14-Serie bietet äußerst flexible Anpassungsmöglichkeiten, um unterschiedlichen Anwendungsanforderungen gerecht zu werden. Die Betätigungskraft kann individuell angepasst werden (weniger als 5,0 N im hebelfreien Zustand, Standard 30 ± 15 gf), mit einem Betätigungshubbereich von 0,6–1,5 mm, geeignet für verschiedene Auslösekraft- und Verschiebungsszenarien. Die Hebelstile sind anpassbar, einschließlich gerader, gebogener und Rollenhebel, die zu verschiedenen mechanischen Übertragungsstrukturen passen. Kontaktformulare decken den gesamten Bereich von SPDT (1 Schließer, 1 Öffner), Schließer und Öffner ab.
Mikroschalterparameter (Spezifikation)
| Technische Eigenschaften des Schalters: | |||
| ARTIKEL | Technischer Parameter | Wert | |
| 1 | Elektrische Bewertung | 5(2)A/10A/16(3)A/21(8)A 250VAC | |
| 2 | Kontaktwiderstand | ≤30mΩ Anfangswert | |
| 3 | Isolationswiderstand | ≥100 MΩ (500 VDC) | |
| 4 |
Dielektrikum Stromspannung |
Zwischen nicht verbundene Terminals |
1000V/0,5mA/60S |
|
Zwischen Terminals und der Metallrahmen |
3000V/0,5mA/60S | ||
| 5 | Elektrisches Leben | ≥50000 Zyklen | |
| 6 | Mechanisches Leben | ≥1000000 Zyklen | |
| 7 | Betriebstemperatur | -25~125℃ | |
| 8 | Betriebsfrequenz |
elektrisch: 15 Zyklen Mechanisch: 60 Zyklen |
|
| 9 | Vibrationsfest |
Vibrationsfrequenz: 10 ~ 55 Hz; Amplitude: 1,5 mm; Drei Richtungen: 1H |
|
| 10 |
Lötfähigkeit: Mehr als 80 % des eingetauchten Teils müssen mit Lot bedeckt sein |
Löttemperatur: 235 ± 5 °C Eintauchzeit: 2~3S |
|
| 11 | Löthitzebeständigkeit |
Tauchlöten: 260 ± 5 ℃ 5 ± 1 S Manuelles Löten: 300 ± 5 ℃ 2 ~ 3 S |
|
| 12 | Sicherheitszulassungen | UL, CSA, VDE, ENEC, TÜV, CE, KC, CQC | |
| 13 | Testbedingungen |
Umgebungstemperatur: 20 ± 5 ℃ Relative Luftfeuchtigkeit: 65 ± 5 % RH Luftdruck: 86 ~ 106 kPa |
|
Funktion und Anwendung des Mikroschalters
Details zum Mikroschalter
