Als repräsentatives Produkt der Yueqing Tongda Wire Electric Factory, das die Integration von Kernstandardisierung und -anpassung verkörpert, wurden Mikroschalter für Entsafter, Staubsauger, Drucker und andere Geräte nach den Grundprinzipien „Stabilität, Zuverlässigkeit und Szenenkompatibilität“ entwickelt. Darin sind 35 Jahre Erfahrung des Unternehmens in der Herstellung von Schaltern eingeflossen, die zahlreiche Optimierungen in Bezug auf elektrische Leistung, Schutzstufen und Benutzererfahrung ermöglicht haben. Der Schalter ist vielseitig einsetzbar in Szenarien wie Smart-Home-Stromverteilung, industriellen Zusatzgeräten und kleinen medizinischen Instrumenten, was ihn zu einer bevorzugten Schaltungssteuerungskomponente macht, die Universalität mit Anpassungspotenzial in Einklang bringt.
MikroschalterEinführung
Im Folgenden sind die wichtigsten Produktionsschritte aufgeführt, die Käufer verstehen müssen, um die Produktqualität beurteilen zu können:
1. Komponentenfertigung: Präzise bearbeitete Metallkontakte und Federn; Robustes Gehäuse (Kunststoff-/Metallmaterialien).
2. Montage: Präzise Montage von Federn, Kontakten und Aktoren, um eine Beeinträchtigung der Leistung zu vermeiden.
3. Tests: Strenge Tests (tausende Presstests, elektrische Durchgangstests) zur Gewährleistung der Zuverlässigkeit.
4. Verpackung: Schutzverpackung für einfachen Transport, mit klarer Kennzeichnung der Spezifikationen.
MikroschalterAnwendung
Mikroschalter sind weit verbreitet und zuverlässig und werden hauptsächlich eingesetzt in:
- Haushaltsgeräte: Kühlschrankbeleuchtung, Türschlösser für Mikrowellenherde, Deckelschalter für Waschmaschinen und Timer für Toaster.
- Industrieausrüstung: Hochleistungsmodelle, geeignet für Förderbänder, Maschinen und Schalttafeln (staubdicht und feuchtigkeitsbeständig).
- Automobilbereich: Scheibenwischer, Türöffnungsanzeiger – beständig gegen Vibrationen und extreme Temperaturen.
- Elektronische Geräte: Miniaturschalter für Fernbedienungen und Gamecontroller (reaktionsschnell und langlebig).
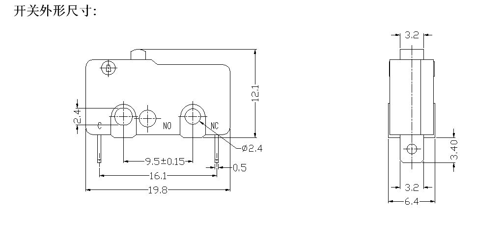
Mikroschalter Spezifikation
| Technische Eigenschaften des Schalters: | |||
| ARTIKEL | Technischer Parameter | Wert | |
| 1 | Elektrische Bewertung | 5(2)A 125V/250VAC 10(3)125V/250VAC | |
| 2 | Kontaktwiderstand | ≤50mΩ Anfangswert | |
| 3 | Isolationswiderstand | ≥100 MΩ (500 VDC) | |
| 4 |
Dielektrikum Stromspannung |
Zwischen nicht verbundene Terminals |
500V/0,5mA/60S |
| Zwischen Terminals und der Metallrahmen |
1500V/0,5mA/60S | ||
| 5 | Elektrisches Leben | ≥10000 Zyklen | |
| 6 | Mechanisches Leben | ≥100000 Zyklen | |
| 7 | Betriebstemperatur | -25~125℃ | |
| 8 | Betriebsfrequenz | Elektrisch: 15 Zyklen Mechanisch: 60 Zyklen |
|
| 9 | Vibrationsfest | Vibrationsfrequenz: 10 ~ 55 Hz; Amplitude: 1,5 mm; Drei Richtungen: 1H |
|
| 10 | Lötfähigkeit: Mehr als 80 % des eingetauchten Teils müssen mit Lot bedeckt sein |
Löttemperatur: 235 ± 5 ℃ Eintauchzeit: 2~3S |
|
| 11 | Löthitzebeständigkeit | Tauchlöten: 260 ± 5 ℃ 5 ± 1 S Manuelles Löten: 300 ± 5 ℃ 2 ~ 3 S |
|
| 12 | Sicherheitszulassungen | UL, CSA, VDE, ENEC, CE | |
| 13 | Testbedingungen | Umgebungstemperatur: 20 ± 5 ℃ Relative Luftfeuchtigkeit: 65 ± 5 % RH Luftdruck: 86~106 kPa |
|
Tongda Wire Electric Micro-USB-Inline-Netzschalter Einzelheiten


