Der unabhängige Dual-Po-Grenzwertschalter ist eine automatische Steuerkomponente, die durch mechanische Bewegung ausgelöst wird. Seine Kernfunktion besteht darin, die Verschiebung oder den Hub eines Objekts zu erkennen, um die Öffnung und Schließung von Schaltungen, den Start und den Stopp der Ausrüstung zu erreichen oder den Schutz zu begrenzen. Es ist ein unverzichtbarer „Sicherheitswächter“ und „Aktionskommandant“ in der industriellen Automatisierung und in der elektromechanischen Ausrüstung.
Schalten IntoUction
Der Reiseschalter (auch als Limitschalter bezeichnet) ist eine automatische Steuerkomponente, die durch mechanische Bewegung ausgelöst wird. Seine Kernfunktion besteht darin, die Verschiebung oder den Hub eines Objekts zu erkennen, um die Öffnung und Schließung von Schaltungen, den Start und den Stopp der Ausrüstung zu erreichen oder den Schutz zu begrenzen. Es ist ein unverzichtbarer „Sicherheitswächter“ und „Aktionskommandant“ in der industriellen Automatisierung und in der elektromechanischen Ausrüstung.
Schalten Application
Anwendung in Haushaltsgeräten und Smart Home:
Waschmaschine:Ein Grenzschalter ist an der Tür einer Waschmaschine vordere Ladung installiert. Das Gerät beginnt nur, wenn die Tür vollständig geschlossen ist und der Schalter die Schaltung aktiviert, wodurch verhindert wird, dass Wasser und Kleidung während des Betriebs ausgeworfen wird.
Kühlschrank/Ofen:Wenn eine Kühlschranktür geschlossen ist, löst der Schalter das Innenlicht aus. Wenn eine Ofentür nicht sicher geschlossen wird, reduziert der Schalter die Heizelemente, um Wärmeleckage zu vermeiden.
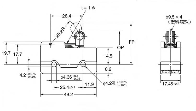
Schalten Details
