Als klassische Produktserie von Yueqing Tongda Cable Power Plant, die auf allgemeine Einsatzszenarien abzielt, sind die Schalter der Gasherd-mit-Druckschalter-Serie mit dem Schwerpunkt auf „hohe Stabilität, breite Kompatibilität und hohe Kosteneffizienz“ konzipiert. Die Serie integriert die 35-jährige Erfahrung des Unternehmens in der Schalterherstellung und deckt die beiden Hauptauslösearten ab: Wippe und Taster. Es eignet sich für Schaltkreissteuerungsanforderungen in verschiedenen Bereichen, einschließlich Smart Homes, gewerblichen Geräten und kleinen Industrieanlagen. Aufgrund seiner ausgewogenen Leistung und zuverlässigen Qualität ist er zur bevorzugten Wahl für Allzweck-Switches in verschiedenen Branchen geworden.
MikroschalterEinführung
Als klassische Produktserie von Yueqing Tongda Cable Power Plant, die auf allgemeine Einsatzszenarien ausgerichtet ist, wurden die Schalter der HK-04G-Serie mit dem Schwerpunkt auf „hohe Stabilität, breite Kompatibilität und hohe Kosteneffizienz“ entwickelt. Die Serie integriert die 35-jährige Erfahrung des Unternehmens in der Schalterherstellung und deckt die beiden Hauptauslösearten ab: Wippe und Taster. Es eignet sich für Schaltkreissteuerungsanforderungen in verschiedenen Bereichen, einschließlich Smart Homes, gewerblichen Geräten und kleinen Industrieanlagen. Aufgrund seiner ausgewogenen Leistung und zuverlässigen Qualität ist er zur bevorzugten Wahl für Allzweck-Switches in verschiedenen Branchen geworden.
MikroschalterAnwendung
Die HK-04G-Serie mit ihrer kompakten Größe (L × B × H ca. 20 × 15 × 10 mm) lässt sich problemlos in intelligente Verteilerkästen, intelligente Wandsteckdosen und intelligente Lichtsteuertafeln integrieren und ist inzwischen zu einer unterstützenden Komponente für mehrere inländische Smart-Home-Marken geworden. Wenn beispielsweise eine Smart-Steckdose einer bestimmten Marke mit dem Wippschalter dieser Serie ausgestattet ist, können Benutzer den Strom durch Drücken schnell ein- und ausschalten. In Kombination mit der APP-Fernbedienung wird ein dualer Steuerungsmodus „lokal und ferngesteuert“ erreicht, wodurch die Produktausfallrate im Vergleich zu herkömmlichen Schaltern um 40 % reduziert und das Benutzererlebnis verbessert wird.
Kommerzielle Geräte: Leistungssteuerung, kompatibel mit kommerziellen Kaffeemaschinen, Registrierkassen und Druckern, mit einer optimierten Anschlussstruktur, die eine schnelle Verkabelungsinstallation unterstützt. Nach dem Batch-Einsatz in einer bestimmten Kaffeehauskette stieg die Effizienz der Gerätemontage um 25 %, und es gab keine Probleme beim Herunterfahren der Geräte, die durch Schalterausfälle während des Langzeitgebrauchs verursacht wurden.
Kleinindustrie: Schaltkreissteuerung für kleine Förderanlagen und Werkstattbeleuchtung, mit flammhemmendem Gehäuse und stabiler elektrischer Leistung, geeignet für Umgebungen mit leichtem Staub in Werkstätten. Eine bestimmte Elektronikverarbeitungsfabrik nutzte es 18 Monate lang ohne Leistungseinbußen der Schalter, wodurch ein stabiler Betrieb der Produktionslinie gewährleistet wurde.
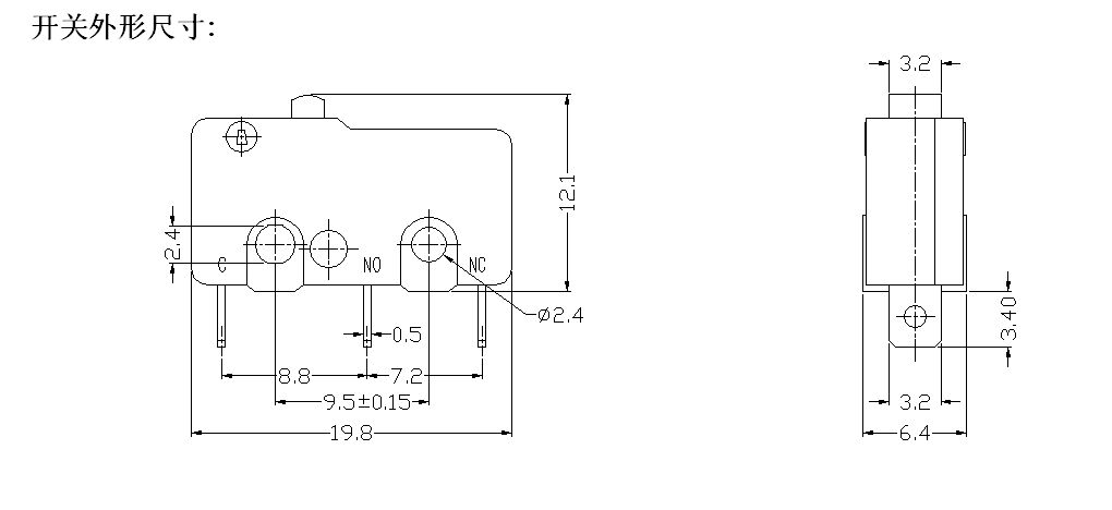
Mikroschalter Spezifikation
| Technische Eigenschaften des Schalters: | |||
| ARTIKEL | Technischer Parameter | Wert | |
| 1 | Elektrische Bewertung | 5(2)A 125V/250VAC 10(3)125V/250VAC | |
| 2 | Kontaktwiderstand | ≤50mΩ Anfangswert | |
| 3 | Isolationswiderstand | ≥100 MΩ (500 VDC) | |
| 4 |
Dielektrikum Stromspannung |
Zwischen nicht verbundene Terminals |
500V/0,5mA/60S |
| Zwischen Terminals und der Metallrahmen |
1500V/0,5mA/60S | ||
| 5 | Elektrisches Leben | ≥10000 Zyklen | |
| 6 | Mechanisches Leben | ≥100000 Zyklen | |
| 7 | Betriebstemperatur | -25~125℃ | |
| 8 | Betriebsfrequenz | Elektrisch: 15 Zyklen Mechanisch: 60 Zyklen |
|
| 9 | Vibrationsfest | Vibrationsfrequenz: 10 ~ 55 Hz; Amplitude: 1,5 mm; Drei Richtungen: 1H |
|
| 10 | Lötfähigkeit: Mehr als 80 % des eingetauchten Teils müssen mit Lot bedeckt sein |
Löttemperatur: 235 ± 5 ℃ Eintauchzeit: 2~3S |
|
| 11 | Löthitzebeständigkeit | Tauchlöten: 260 ± 5 ℃ 5 ± 1 S Manuelles Löten: 300 ± 5 ℃ 2 ~ 3 S |
|
| 12 | Sicherheitszulassungen | UL, CSA, VDE, ENEC, CE | |
| 13 | Testbedingungen | Umgebungstemperatur: 20 ± 5 ℃ Relative Luftfeuchtigkeit: 65 ± 5 % RH Luftdruck: 86~106 kPa |
|
Tongda Wire Electric Micro-USB-Inline-Netzschalter Details

