Als professionelles Direktvertriebsunternehmen für 3-polige Mikroschalter mit 35 Jahren Erfahrung in der Schalterherstellung konzentriert sich die Yueqing Tongda Cable Factory auf „nachfrageorientierte Anpassung, Technologie zur Gewährleistung der Sicherheit“ und bietet mit Schwerpunkt auf Hauptprodukten wie Wippschaltern, roten Tastern, Mikroschaltern NO/NC und Push Button NCs maßgeschneiderte Schalterlösungen für verschiedene Bereiche, darunter Industrie, Smart Home, Medizin und Schifffahrt. Mit technologischer Innovation und strenger Qualitätskontrolle hat es sich zu einem Maßstab im Bereich kundenspezifischer Schalter entwickelt.
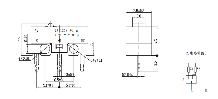
Einführung in den Mikroschalter

Mikroschalterparameter (Spezifikation)
| ARTIKEL | Wichtigste technische Parameter |
| 1 | Elektrische Nennleistung: 3A 250VAC |
| 2 | Elektrische Lebensdauer: Min. 10.000 Zyklen |
| 3 | Kontaktwiderstand: <50 mΩ |
| 4 | Betätigungskraft: 70 ± 20 gf |
| 5 | Freie Position: 7,3 ± 0,2 mm |
| 6 | Betriebsposition: 7,0 ± 0,2 mm |
| 7 | Umgebungstemperatur: T85° |
| 8 | Spannungsfestigkeit: Zwischen Klemme und Klemme 500 V/5 S/5 mA; |
| Zwischen Klemmen und Gehäuse 1500/5S/5mA | |
| 9 | Isolationswiderstand:>100 MΩ Prüfspannung 500 VDC |
| 10 | Proof-Tracking-Index PTI: 175 V |
Details zum Mikroschalter
